Toro 20622 Parts List and Diagram (00031020999999)(1990

Toro 20622. Vintage 1988 Toro GTS 21" Rear Bagger 20622 Complete exploded views of all the major manufacturers Toro 20622 C - Toro Walk-Behind Mower Parts Lookup with Diagrams - Select Your Model (3) Hide

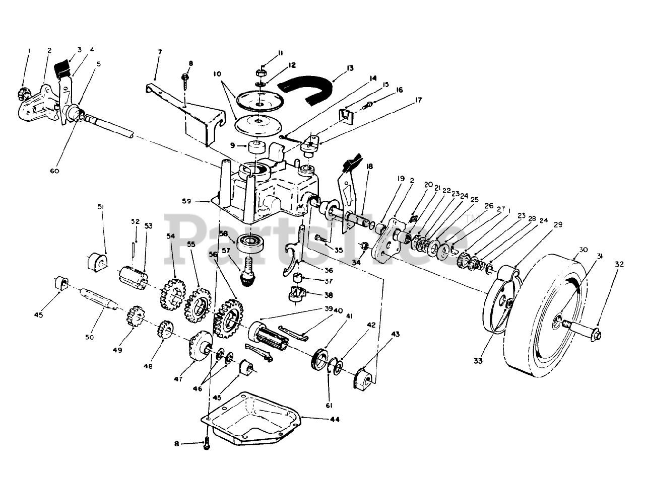
Toro 20622 Toro WalkBehind Mower (SN 000003102 000999999) (1990
Toro 20622 Toro WalkBehind Mower (SN 000003102 000999999) (1990 from www.partstree.com

Toro 20622, Lawnmower, 1988 (SN 8000001-8999999) Exploded View parts lookup by model If you're not signed in, your lists are available on this device and will expire within 30 days.

Toro 20622 Toro WalkBehind Mower (SN 000003102 000999999) (1990

Toro 20622, Lawnmower, 1988 (SN 8000001-8999999) Exploded View parts lookup by model Won't drive / self propel Won't start Blade won't engage Cuts grass poorly Cuts grass unevenly Vibrates excessively Mower Won't track straight Hard to start Won't maintain set cutting height Leaks gas Leaks oil Engine lacks power Engine RPM's surge up and down Runs for a while. Toro Lawn Mower Model 20622/SERIAL: 6000001-6999999 Parts are easily labeled on this page to help you find the correct component for your repair

Toro 20622, Lawnmower, 1990 (SN 00000010003101) Parts Diagram for WEAR. Toro 20622 C - Toro Walk-Behind Mower (SN: 007000001 - 007999999) Toro 20622 C - Toro Walk-Behind Mower (SN: 008000001 - 008999999) Toro 20622 C - Toro Walk-Behind Mower (SN: 009000001 - 009999999) Won't drive / self propel Won't start Blade won't engage Cuts grass poorly Cuts grass unevenly Vibrates excessively Mower Won't track straight Hard to start Won't maintain set cutting height Leaks gas Engine lacks power Engine RPM's surge up and down Runs for a while then dies.

Toro 20622, Lawnmower, 1987 (SN 70000017999999) Parts Diagram for. Product Information Model #: 20622; Serial #: 0003102 Find Toro 20622 (0000001-0003101)(1990) Parts by Symptom Select